手机号:
18625015550
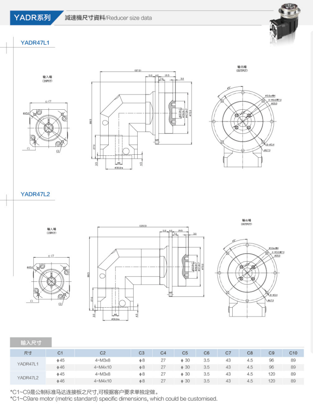
YADR47L1-2
- YAD系列-高精度,高刚性,高效率
YAD series-tigh preciiom,Migh rigility, high eflcimg
太阳齿一体式设计.确保同心度和扭转刚性The sn teeth are designed is oepieoeo ene ocetric antoeskonal rlgidity
将行星齿轮输出触承直接设臂果内,确保精度和同心度The plaeet gear stput besieg is dlieely anged in te boomo eare accuragy aad eonoeetrkcity
先进表面处理耐磨耐.耐啊蚀aoed sufice ntosko-resi
齿面宽.参数做大,实观高强度Wide tehs,luper paaas.hs_
体化连接板设计,与各种何里,马达完美配合
lom Boend darlgsh,wiha vityof sevo, mutnategnted Conecwiha perfect t
- 电话:
18625015550
- 尺寸资料
- 性能资料
- 型号说明


